ME
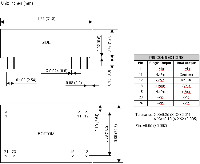
The ME series of medical approved (UL/cUL 60601-1) DC/DC converters are specially designed to provide ultra high levels of isolation (5600VDC) in a 24-pin DIP package. These converters operate over input voltage ranges of 9-18VDC, 18-36VDC, and 36-75VDC. This series also provides regulated single and dual output models. The -40°C to +55°C operating temperature makes this series of dc/dc converters ideal for data communication equipment, mobile battery driven equipment, distributed power systems, process/machine control equipment, telecommunications equipment, mixed analog/digital subsystems, computer peripheral systems, and industrial robot systems. These converters have a power rating of 6W and a typical full load efficiency of 80%. This series complies with EN55022 Class A conducted noise and radiated emissions with an external coupling capacitor Cio=1nF < Class B. The EN55022 Class A conducted noise compliance minimizes design time, cost, and eliminates the need for external filter components.
| Model Number | Input Voltage | Output Voltage | Output Current | Output Power (W) | No. Outputs | Case | Size | |
|---|---|---|---|---|---|---|---|---|
| ME12S5-1000W | Input Voltage: 12 | Output Voltage: 5 | Output Current: 1A | Output Power (W): 5 | No. Outputs: S | Case: Through Hole | Size: 1.25" × 0.8" × 0.47" | Get a Quote |
| ME24S5-1000W | Input Voltage: 24 | Output Voltage: 5 | Output Current: 1A | Output Power (W): 5 | No. Outputs: S | Case: Through Hole | Size: 1.25" × 0.8" × 0.47" | Get a Quote |
| ME48S5-1000W | Input Voltage: 48 | Output Voltage: 5 | Output Current: 1A | Output Power (W): 5 | No. Outputs: S | Case: Through Hole | Size: 1.25" × 0.8" × 0.47" | Get a Quote |
| ME12D12-250W | Input Voltage: 12 | Output Voltage: 12, -12 | Output Current: ±250mA | Output Power (W): 6 | No. Outputs: D | Case: Through Hole | Size: 1.25" × 0.8" × 0.47" | Get a Quote |
| ME12D15-200W | Input Voltage: 12 | Output Voltage: 15, -15 | Output Current: ±200mA | Output Power (W): 6 | No. Outputs: D | Case: Through Hole | Size: 1.25" × 0.8" × 0.47" | Get a Quote |
| ME12S12-500W | Input Voltage: 12 | Output Voltage: 12 | Output Current: 500mA | Output Power (W): 6 | No. Outputs: S | Case: Through Hole | Size: 1.25" × 0.8" × 0.47" | Get a Quote |
| ME24D12-250W | Input Voltage: 24 | Output Voltage: 12, -12 | Output Current: ±250mA | Output Power (W): 6 | No. Outputs: D | Case: Through Hole | Size: 1.25" × 0.8" × 0.47" | Get a Quote |
| ME24D15-200W | Input Voltage: 24 | Output Voltage: 15, -15 | Output Current: ±200mA | Output Power (W): 6 | No. Outputs: D | Case: Through Hole | Size: 1.25" × 0.8" × 0.47" | Get a Quote |
| ME24S12-500W | Input Voltage: 24 | Output Voltage: 12 | Output Current: 500mA | Output Power (W): 6 | No. Outputs: S | Case: Through Hole | Size: 1.25" × 0.8" × 0.47" | Get a Quote |
| ME48D12-250W | Input Voltage: 48 | Output Voltage: 12, -12 | Output Current: ±250mA | Output Power (W): 6 | No. Outputs: D | Case: Through Hole | Size: 1.25" × 0.8" × 0.47" | Get a Quote |
| ME48D15-200W | Input Voltage: 48 | Output Voltage: 15, -15 | Output Current: ±200mA | Output Power (W): 6 | No. Outputs: D | Case: Through Hole | Size: 1.25" × 0.8" × 0.47" | Get a Quote |
| ME48S12-500W | Input Voltage: 48 | Output Voltage: 12 | Output Current: 500mA | Output Power (W): 6 | No. Outputs: S | Case: Through Hole | Size: 1.25" × 0.8" × 0.47" | Get a Quote |
| Specification | Value |
|---|---|
| Input | |
| Input Voltage (Nominal): | 12, 24, 48 |
| Input Voltage Range: | 18-36, 36-75, 9-18 |
| Input Filter: | Pi Filter |
| UVLO: | See Data Sheet |
| Input Frequency: | 0 Hz |
| Output | |
| Output Voltage: | 5, 12, ±12, ±15 |
| Voltage Accuracy: | ±0.5% |
| Output Current: | 1A, 500mA, ±250mA, ±200mA |
| Output Power (Watts): | 5, 6 |
| Short Circuit Protection: | Continuous |
| General | |
| Efficiency: | Up to 80% |
| Isolation: | 5600VDC |
| Environmental | |
| Operating Temperature: | -40 to 55°C |
| Storage Temperature: | -40 to 125°C |
| Physical | |
| Weight: | 18g |
| Dimensions: | 1.25in. × 0.8in. × 0.47in. |
| Case Material: | Non-Conductive Black Plastic |
| Notes & safety | |
| Notes: | 1. Transient recovery time is measured to within 1% error band for a step change in output load of 75% to 100%. 2. The ME series requires a minimum output loading to maintain specified regulations. Operation under no-load conditions will not damage these devices, however they may not meet all listed specifications. 3. All DC/DC converters should be externally fused at the front end for protection. 4. Other input and output voltages may be available, please contact factory. 5. This product is Listed to applicable standards and requirements by UL. Due to advances in technology, specifications are subject to change without notice. |
| RoHS Compliance: | Yes |

Get a Quote
Request information for from Wall Industries.
"*" indicates required fields
Custom Solutions
Wall Industries, Inc. offers fully custom power design capabilities. Our team of electrical and mechanical power design engineers will utilize proven design topologies and concepts to create a solution to your power requirements. If you don’t have a specification, Wall’s engineering team will assist you in determining what your requirements are and how best to provide a solution.
Custom Power Supplies